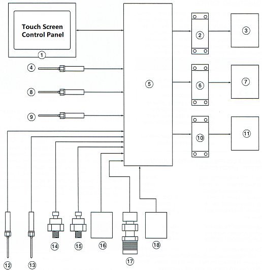
SINPAR Combination Octane Engine Unit with SXCP Digital Control Panel based on model of octane engine FTC-M2, is the latest model of octane engine with easy-to-use features and auto-control systems conforming to the latest ASTM D2699 (RON) and ASTM D2700(MON) Standard Methods.
Octane Engine with Control Panel SXCP system is characterized by precision and automation. The system consists of a series of sensors and heater systems that controls rating parameters accurately and automatically through a digital control unit.

The SXCP Octane Engine with Control Panel is equipped with RTDs to measure the following temperatures:
-Mixture manifold temperature
-Engine oil temperature
-Intake air temperature
-Cylinder water jacket temperature
-Condenser temperature
Each sensor continuously provides a signal to the DCU representing temperature. The DCU displays these signals in real time.
The SXCP Octane Engine with Control Panel is equipped the pressure sensors to measure the following pressures:
-Crankcase vacuum
-Engine oil pressure
-Barometric pressure
Each pressure sensor provides a signal to the DCU representing pressure. The DCU displays these signals in real time.
The SXCP Octane Engine with Control Panel is equipped the heater systems to control the following temperatures:
-Intake Air Temperature (IAT) for RON and MON
-Mixture manifold temperature for MON
-Engine oil temperature
Each temperature is controlled with the DCU by comparing the temperature setpoint to the signal from the temperature RTD. After the temperatures are compared, the DCU sends the signal to SSR, which controls the ON/OFF time delay of the heater.
